Voltage Topologies – Part 2 of 2
This article covers the second part of the switching regulator topologies, which will include the isolated converters like Flyback, forward, Push-Pull, Half-Bridge, and Full-Bridge converters.
Isolated DC-DC converters are classified into:
- Flyback converters
- Forward Converter
- Push-Pull Converter
- Half-Bridge Converter
- Full-Bridge Converter
Flyback converters
Figure 6 shows the basic topology of a flyback circuit. Unregulated DC voltage obtained from the utility ac supply can be input into the circuit after some filtering and post rectification. The ripple in the DC voltage waveform is usually of low frequency, and the general ripple voltage waveform repeats at twice the ac mains frequency. Since the SMPS circuit operates at a much higher frequency (in the range of 100 kHz), the input voltage, despite being unregulated, may be considered to have a constant magnitude during any high-frequency cycle. A fast switching device ('S'), similar to a MOSFET, is used with fast dynamic control over the switch duty ratio (ratio of ON time to switching time) to maintain the desired output voltage. The transformer, in Figure 6, finds use in voltage isolation and for better matching between input and output voltage and current requirements. The transformer's primary and secondary windings have good coupling so that the almost identical magnetic flux links them.
The flyback transformer's primary and secondary windings resemble two magnetically coupled inductors as they don't conduct simultaneously. It may be appropriate to label the flyback transformer an inductor-transformer. The magnetic circuit design of a flyback transformer is done accordingly to that of an inductor. The flyback transformer’s output section consists of voltage rectification and filtering, which is considerably uncomplicated than most other switched-mode power supply circuits. Figure 6 shows the rectification and filtering of a secondary winding voltage using a diode and a capacitor. The SMPS output voltage is the voltage across this filter capacitor. There are two modes of operation: (1) mode 1 when switch Q1 turns on, and (2) mode 2 when Q1 turns off.

Figure 6: A Flyback converter
Applications of Flyback converters
- They find primary use in SMPS circuits such as mobile chargers, standby supplies in computers, etc
- It uses minimal-priced output power supplies, special personal computers of less than 250 watts
- They are present in a high voltage supply range for oscilloscopes in monitors and televisions
- It finds use in applications requiring high voltages, such as lasers, Photostat machines, xenon type of flash lamps, and others
- They are present in power line carrier communications
Advantages of Flyback converters
- The primary is isolated from the output
- It can supply multiple output voltages, all isolated from the primary
- They can regulate the multiple output voltages with a single control
- It can operate on a wide range of input voltages
Disadvantages of Flyback converters
- The voltage feedback loop needs a minimal bandwidth because of the right-sided half plane zero in the converter's response
- There has to be slope compensation when the duty cycle is more than 50 percent
- Since the positive current flow operates the power switches, the switches' turn-on speed is crucial to minimize switching component waste heat
- The inductor will have a peak level of currents, RMS, and flux excursions
Forward Converter
The forward converter resembles the flyback. Figure 7 shows the transformer core reset by reset winding, where the energy stored in the transformer core returns to the supply and the efficiency rises. The dot arrangement on the transformer's secondary winding ensures that the output diode D2 is forward biased when the voltage across the primary is positive, that is, when the transistor is on. Energy is thus not stored within the primary inductance as it was for the flyback. The transformer acts strictly as an ideal transformer. Unlike the flyback, the forward converter operates in the continuous mode. The forward converter is more challenging to control in the discontinuous mode because of a double pole existing at the output filter. There are two modes of operation: (1) mode 1 when switch Q1 turns on, and (2) mode 2 when Q1 turns off.

Figure 7: A Forward converter
Applications of Forward converters
- Off-line supplies
- Solar Power Systems
- Hybrid Charging Techniques
- Computer power supply
- Aerospace supply
Advantages of Forward converters
- It offers better transformer utilization
- Output inductor and freewheeling diode keep the output current reasonably constant
- A lower active device peak current is due to a larger magnetizing inductance
Disadvantages of Forward converters
- Increased costs occur due to additional output electrical device requirements and a freewheeling diode
- Minimum load requirements are significant with multiple outputs
- MOSFET demands higher voltage, which frequently discourages the use in off-line applications that work on 230V grids
Push-Pull Converter
Figure 8 shows a push-pull configuration. When Q1 is on, Vs appears across one-half of the primary. When Q2 is on, Vs applies across the other half of the transformer. The voltage of a primary winding swings from -Vs to Vs. The average current through the transformer should be zero. The average output voltage is
Transistors Q1 and Q2 operate with a 50 percent duty cycle. The open-circuit voltage is Voc = 2Vs, the average current of a transistor is IA = Is/2, and the peak transistor current is Ip = Is., This configuration is suitable for low-voltage applications because the open-circuit transistor voltage is twice the supply voltage. A constant current source often drives the push-pull converter, and the primary current is a square wave that produces a secondary voltage.

Figure 8: A Push-Pull Converter
Applications of Push-Pull converters
- It operates with greater efficiency and less noise and is available in middle to high power applications
- Power Supplies
- DC to AC inverter
- DC to DC converter
- Equipment
Advantages of Push-Pull converters
- No need for an isolated power supply to drive the MOSFETs push-pull
- Peak current sensing ensures the core does not drift into saturation
- Push-Pull finds use for freeway access latch release cables and security brake cables
- The Push-pull converter is inexpensive
- The needed transformer rating is smaller than the forward converter
Disadvantages of Push-Pull converters
- Push-pull uses two switches which are of occasional use in flux walking phenomena
- Use of a central tap transformer
Half-Bridge Converter
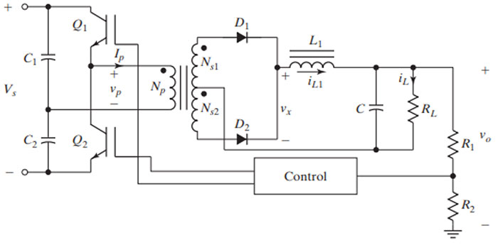
Figure 9 shows a simple configuration of a half-bridge converter. This converter is functionally two back-to-back forward converters fed by the same input voltage, each delivering power to the load at each alternate half-cycle. The placement of capacitors C1 and C2 across the input terminals ensures that the primary winding voltage is always half of the input Vs/2. There are four modes of operation: (1) mode 1 when switch Q1 is on and switch Q2 is off, (2) mode 2 when both Q1 and Q2 are off, (3) mode 3 when switch Q1 is off and switch Q2 is on, and (4) mode 4 when both Q1 and Q2 are off again. Switches Q1 and Q2 turn on and off accordingly to produce a square-wave ac at the primary side of the transformer. This square wave is either stepped down or up by the isolation transformer and rectified by diodes D1 and D2. The rectified voltage is subsequently filtered to produce the output voltage Vo.

Figure 9: A Half-Bridge Converter
Applications of Half-Bridge converters
- They are suitable for high input voltage applications up to 440 V mains
- It Finds use in large computer supplies
- It finds use in lab equipment supplies
Advantages of Half-Bridge converters
- Vin's voltage stress on the switch makes it better suitable for 250 VAC and power factor correction applications
- No flux-walking problem as the primary is only a single winding
- High efficiency, high power density, and simplified transformer construction make it ideal for medium power applications
- Excellent transformer utilization, low output ripple, and small output inductor are required
Disadvantages of Half-Bridge converters
- High ripple current in selected C1 and C2 so that they will not overheat an
- An isolated driver for the top switch adds component cost
- Functioning at half of the input voltage, so collector current is double compared to the Push-pull scheme
- Not suitable for current-mode control
Full-Bridge Converter
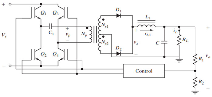
Figure 10 shows the basic configuration of a full-bridge converter with four power switches. There are four modes of operation: (1) mode 1 when switches Q1 and Q4 are on while Q2 and Q3 are off; (2) mode 2 when all switches are off; (3) mode 3 when switches Q1 and Q4 are off, while Q2 and Q3 are on; and (4) mode 4 when all switches are off. Switches turn on and off accordingly to produce a square-wave ac at the primary side of the transformer. The output voltage steps up (or down), rectified, and then filtered to produce a DC output voltage. The capacitor C1 balances the volt-second integrals during the two half-cycles and prevents the transformer from becoming driven into saturation.

Figure 10: A Full-Bridge Converter
Applications of Full-Bridge converters
- They are flexible and operate in power supplies above 150W
- Operates in DC servo motor drives, generating ac voltage for ac motor drives, RF heating, and isolated switched-mode power supplies
- They are present in hybrid electric vehicles, rail-guided shuttles, and automatic industrial applications
Advantages of Full-Bridge converters
- They require one mains smoothing capacitor compared to two for the half-bridge, thereby saving space
- They manage a wide range of input and output voltage levels
- No limits to the conversion ratio
- High core utilization(full flux swing in quadrants 1 and 3) and allows small core use
Disadvantages of Full-Bridge converters
- Switching devices can be expensive, so it makes sense to include proper control circuits that offer good device protection, soft-start capability, and fast, high-current driver circuits
- The timing circuit is complex, and two high-side drivers are needed
- They have a higher component count, particularly with multiple regulated outputs
- Expensive as compared to other converters since it uses more components
Conclusion
No single topology is best for all applications. A given application's correct switching power supply topology depends on particular requirements, including cost, size, time factors, and expected production volume. Opting to buy a suitable converter is prudent to save significant design time.







